Learn more about product details
Microbridge Mass Flow Sensor used for Hydrogen generator, which alternate to Honeywell AWM3300V, AWM40000 Series.
PN: S3000
Description
S3000 series of micro-gas flow sensors are fabricate with MEMS flow chips and applied to measure kinds of clean and dry micro-gas flow and process control with special package technology and satisfy with different flow range measurement with same diameter. It has advantage of high sensitivity and reliability and low cost and very wide applications.
Feature
■Flow range: 0- 3000 (50, 100, 1000, 2000, 2500, 3000)sccm
■High precision ( ±1.5 %FS accuracy)
■Linear output and no temperature compensation required
■Maintain long-term stability with minimal zero drift
■Solid-state sensing core (no surface void or fragile membrane), anti-blocking and pressure shock
■Analog output ( 1 - 5 V) ( I2C or RS485 are also available )
■Fast response time ( 1 ms response time)
■Can adapt to relatively humid gas measurement
Application
■ Oxygen/Hydrogen generator
■ Anti-virus mask and respirator
■ Sprayer
■ Anesthesia delivery
■ Leak
■ Spectrometer
■ Continuous positive airway pressure ( CPAP) equipment
■ Mass flow controllers
■ Communication systems
■ Environmental climate control system
Maximum rating
■Operating temperature: -25 ° C to 85 ° C
■Storage temperature: -40 ° C to 90 ° C
■Humidity: 0 ~ 100% RH *
■Sensor anti- shock up to 100 g
■The sensor is resistant to condensation
Linear Output
Flow = [(VOUT -1 V) / 4 V] × full scale flow
For example: S3000 has a full-scale flow of 1000 sccm. When the output voltage is read at 2.5V, the instantaneous flow rate is
[(2.5V-1V)/4V×1000 sccm] =375sccm

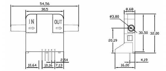
Dimension


Output Lead Definition

PRODUCT
ONLINE CONSULTATION
For inquiries about our products or pricelist, please leave your email to us and we will be in touch within 24 hours.
GOT ANY QUESTIONS
If you have something on your mind, just let us know!
We are more than happy to answer all your inquiries.

For inquiries about our products or pricelist, please leave your email to us and we will be in touch within 24 hours.
Add: No.9999 Jingshi Road, Lixia District, Jinan City, Shandong Province, China
USA Research Center
Add:2455 South Rd, Poughkeepsie, NY 12601 USA
By clicking "Allow All", you agree to the storage of cookies on your device to enhance site navigation, analyze site usage and assist with our marketing efforts. Cookie Notice