Learn more about product details
Description
H2 sensor is a miniature metal oxide semiconductor gas sensor based on MEMS micro hotplate technology for detection a wide rang of H2 gas in air.
Sensor production combined with silicon substrate MEMS technology, thin film technology, thick film technology and ceramic packaging technology.
The gas sensitive layer is deposited at the top of the hotplate and interdigitated electrodes, resulting in a conductivity dependent on the concentration of harmful gases.
Features:
High sensitivity to H2 ( 0.1~1000ppm )
Quick response (~10Sec.)
Very low power consumption ( ~35mW )
Small size ( 3.8mm × 3.8mm × 1.5mm )
Long operating life ( ~10 Years )
Reflow soldering
Applications:
Hydrogen leakage detection
Lithium battery thermal runaway monitoring
IoT, wearable devices, smart home
Performance
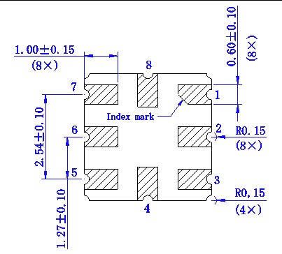
Bottom dimension drawing (unit: mm)
Pin connection
Pin function
1 Heating electrode 1
2 NA
3 Sensitive electrode 1
4 NA
5 Heating electrode 2
6 NA
7 Sensitive electrode 2
8 NA
Note: We can also provide full PCB according to your design.
PRODUCT
ONLINE CONSULTATION
For inquiries about our products or pricelist, please leave your email to us and we will be in touch within 24 hours.
GOT ANY QUESTIONS
If you have something on your mind, just let us know!
We are more than happy to answer all your inquiries.

For inquiries about our products or pricelist, please leave your email to us and we will be in touch within 24 hours.
Add: No.9999 Jingshi Road, Lixia District, Jinan City, Shandong Province, China
USA Research Center
Add:2455 South Rd, Poughkeepsie, NY 12601 USA
By clicking "Allow All", you agree to the storage of cookies on your device to enhance site navigation, analyze site usage and assist with our marketing efforts. Cookie Notice