Learn more about product details
MEMS Hydrogen sulfide Sensor (H2S)
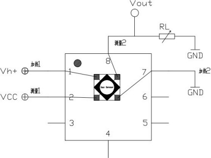
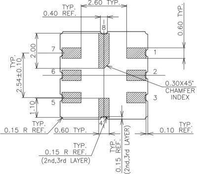
H2S sensor is MEMS-technology based gas sensor with semiconductor nano material as sensing material, which can detect H2S of different concentrations in different environmental conditions.
The sensor has the characteristics of small size, low power consumption, high sensitivity, long lifetime
• Air cleaners and purifiers; Food freshness monitoring; Portable air detector;
• Public toilet odor monitoring; Deodorant Machine etc…


Note: We can also provide full PCB according to your design.
PRODUCT
ONLINE CONSULTATION
For inquiries about our products or pricelist, please leave your email to us and we will be in touch within 24 hours.
GOT ANY QUESTIONS
If you have something on your mind, just let us know!
We are more than happy to answer all your inquiries.

For inquiries about our products or pricelist, please leave your email to us and we will be in touch within 24 hours.
Add: No.9999 Jingshi Road, Lixia District, Jinan City, Shandong Province, China
USA Research Center
Add:2455 South Rd, Poughkeepsie, NY 12601 USA
By clicking "Allow All", you agree to the storage of cookies on your device to enhance site navigation, analyze site usage and assist with our marketing efforts. Cookie Notice