Learn more about product details
MEMS formaldehyde HCHO sensor module
The formaldehyde sensor module is a CH2O gas module developed by using MEMS micro gas sensors, It can be used to detect the content of formaldehyde gas in the environment,
and then judge the air quality. The module is aged commissioning, calibration, calibration, good response consistency and high sensitivity to formaldehyde gas.
Features
Extremely high sensitivity, excellent long-term stability
Factory calibrated, automatic preheating judgment, low power consumption, long service life, high cost performance.
Applications
air purifier, indoor environment detection, air conditioning fresh air, portable detector.
Technical parameters
Pinout (URAT)
Communication protocol parameters
Serial data flow format
Note:
2Ch is module fixed address in B1
sum(B6)=unit_8(B1+B2+B3+B4+B5)
CH2O gas concentration (mg/m3) = (CH2O High (B2)*256+ CH2O Low (B3))*0.01
Data range
For example, if reading data are: 2Ch,00h,57h,03h,0E8h,6Eh,
The results are:
sum:6Eh=2Ch+00h+57h+03h+0E8h
TVOC value:(B2*256+B3)*0.01=(00h*256+57h)*0.01=0.87mg/m³
I²C pin definition
I²C parameters
I²C sequence
Output method
Module use 2 wire I2C bus, the default is Slave Addr=0x3B, this is only read/write address, which occupied bit7 to bit1. When read from sensor, write 0x3B<<1|0x01=77.
I²C data format
Module pictures:
Note: R2 is load resistor, it may differ from different production batch number. Common value are: 10K, 27K, 47K, 100K and 200K. The value difference will not affect the module electro performance and sensor performance.
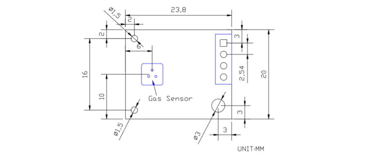
Outline dimension
Application sketch map
IMPORTANT PRECAUTIONS
• Please provide preheating for more than 5-10 min in first time use.
• Avoid vibration and drop, and forbid liquid into sensor inside.
• Do not apply this module to systems involving personal safety
• Do not place the module in a high concentration of organic gas for a long time
• Do not set module in application which has strong gas flow
PRODUCT
ONLINE CONSULTATION
For inquiries about our products or pricelist, please leave your email to us and we will be in touch within 24 hours.
GOT ANY QUESTIONS
If you have something on your mind, just let us know!
We are more than happy to answer all your inquiries.

For inquiries about our products or pricelist, please leave your email to us and we will be in touch within 24 hours.
Add: No.9999 Jingshi Road, Lixia District, Jinan City, Shandong Province, China
USA Research Center
Add:2455 South Rd, Poughkeepsie, NY 12601 USA
By clicking "Allow All", you agree to the storage of cookies on your device to enhance site navigation, analyze site usage and assist with our marketing efforts. Cookie Notice