Learn more about product details

12SLPM, 20SLPM, 35SLPM, 50SLPM, 100SLPM, 150SLPM, 200SLPM, 300SLPM, 500SLPM
I2C or Analog output (1-5V)
1. Introduction
The
S4000 mass airflow sensor series is fabricated using a
micro-electromechanical system (MEMS) flow sensor chip. It is suitable
for the measurement of clean and relatively dry gases for various
purposes. It realizes the digitization, intelligence and high safety of
the equipment, and has the innovation of traditional industries.
Function and improvement; a wide range of flow ranges meet the flow
measurement requirements of different equipment in the industry. High
sensitivity, high reliability, high stability and low cost can promote
the industry to develop energy-saving and intelligent.
The
S4000 series is based on a MEMS flow sensing unit, high-precision
digital processing and calibration circuit (MCU), integrated
high-resolution delta-sigma A/D converter and logic with internal
calibration and MCU processor. The sensing signal is effectively
collected in real time, and the accurate flow signal is obtained, and
the corresponding compensation algorithm is processed internally, so
that no external calibration compensation is required, and
high-precision flow output can be ensured; the friendly digital output
communication mode can be used by the user. It is very convenient to get
the corresponding data information; the product application range is
very broad.
2. Features
Wide flow range 12SLPM-500SLPM
High precision (1.5% F.S accuracy)
Linear output and temperature compensation
Maintain long-term stability with minimal zero drift
Solid-state sensing core (no surface void or fragile membrane), anti-blocking and pressure shock
I2C or Analog output (1-5 V)
Fast response time (20ms response time)
3. Application
Ventilator
oxygen machine
Gas mask and respirator
Sprayer
Continuous positive airway pressure (CPAP) device
Anesthesia delivery
Leak detection
Spectrometer
Mass flow controller
Environmental climate control
Fuel cell control
4. Maximum rating
Working temperature: -25 ° C to 85 ° C
Storage temperature: -40 ° C to 90 ° C
Humidity: 0~100%RH*
Impact resistant 100 g
The sensor is resistant to condensation*
5. Specification
1. Customizable range between 10SLM and 500SLM
2. SLM: Standard liters per minute. Standard conditions: 0 ° C and 1 atmosphere
3.
In addition, the two-way airflow test can be customized, and the analog
output is correspondingly changed. F(min)—F(max) corresponds to 1-5V
output, and 0 flow corresponds to 3V;
4. Includes temperature drift and linearity error
6. Linear Output
1. The unidirectional airflow mode: (calculation formula)
Flow = [(VOUT -1 V) / 4 V] × full scale flow
For example: S4103V has a full-scale flow of 200 SLM. When the output voltage is read at 2.5V,
the instantaneous flow rate is [(2.5V-1V) / 4V × 200 SLM] = 75 SLM
2. Two-way airflow mode: (calculation formula)
Forward flow = [(VOUT -3 V)/2 V] × full scale flow
Reverse flow = [(3 V- VOUT)/2 V] × full scale flow
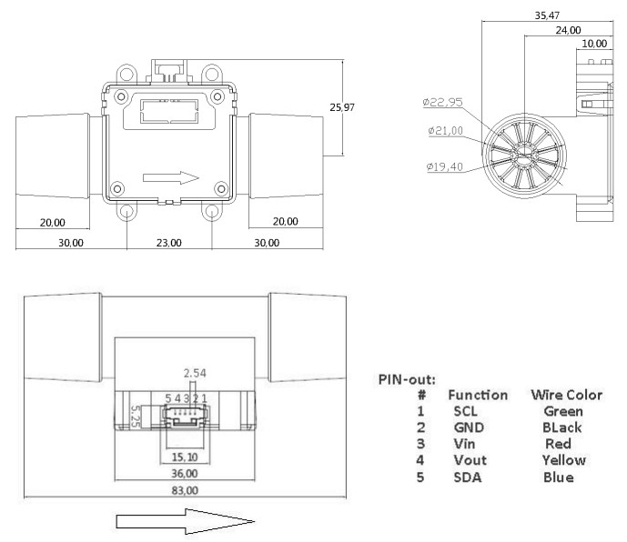
7. Shell Size
Note 1: The connector can be matched with a connecting line according to customer requirements.
PRODUCT
ONLINE CONSULTATION
For inquiries about our products or pricelist, please leave your email to us and we will be in touch within 24 hours.
GOT ANY QUESTIONS
If you have something on your mind, just let us know!
We are more than happy to answer all your inquiries.

For inquiries about our products or pricelist, please leave your email to us and we will be in touch within 24 hours.
Add: No.9999 Jingshi Road, Lixia District, Jinan City, Shandong Province, China
USA Research Center
Add:2455 South Rd, Poughkeepsie, NY 12601 USA
By clicking "Allow All", you agree to the storage of cookies on your device to enhance site navigation, analyze site usage and assist with our marketing efforts. Cookie Notice